小九直播高清在线观看-小九体育直播官网最新视频,成立于2002年,是一家专业从事电力电子产品研发、制造、销售的高新技术企业。
了解更多- 产品详细
实践在变频调速体系工作过程中,假如变频器或负载遽然呈现毛病,若让负载中止作业可能会形成很大丢失,为了这个问题,可给变频调速体系增设工频与变频切换功用,在音频器产生毛病时主动将工频电源切换给电动机,以让体系持续作业。别的某些电路中要求发动时用变频作业,而在正常作业是工频作业,因而能用工频与变频切换电路完结还可经过报警电路合作,在毛病时输出报警信号。关于作业形式的参数设定,需求参看运用。
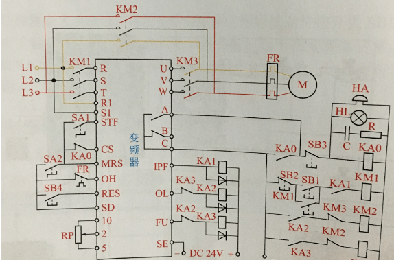
下图所示是一个典型的工频与变频切换操控电路,该电路在作业前需求先对一些参数进行设置:
发动预备,将开关SA3闭合,接通MRS端子,答应进行工频变频切换。因为已设置Pr。135=1是切换有用,IPE、FU端子输出低电平,中心继电器KA1、KA3线线常开触点闭合——沟通接触器KM3线常闭辅佐触点断开——KM3 主触点闭合将电动机与变频器端子衔接,KM3常闭辅佐触点断开时KM2线线圈不能一同得电),电动机无法由变频和工频一同供电,KA1线线圈得电做预备——按动按钮开关SB1——KM1线主触点、常开辅佐触点均闭合——KM2主触点闭合,为变频器供电,KM1常开辅佐触点闭合,确定KM1线圈得电。
发动工作。将开关SA1闭合,STF端子输入信号(STF端子经SA1、SA2与SD端子接通),变频器正转发动,调理电位器RP能够对电动机进行调速操控。
当变频器工作中反常,反常输出端子A、C接通,中心继电器KA0线常开触点闭合,振铃HA和报警灯HL得电,宣布声光报警,与此一同,IPF、FU端子变为高电平,OL端子变为低电平,KA1、KA3线线主触点断开——变频器与电源——电动机断开。KA2线线主触点闭合——工频电源直接提供给电动机(注明:KA1、KA3线线圈得电并不是一同进行的,有必定的切换时刻,它与Pr.136、Pr137设置有关)。
按动按钮开关SB3能够免除声光报警,按动按钮开关SB4,能够免除变频器的维护输出状况,若电动机在工作时呈现过载,与电动机串联的热继电器FR发热元件动作,使FR常闭触点断开,堵截OH端子输入,变频器中止输出,对电动机进行维护。
1、发动预备,按动按钮开关SB2-沟通接触器KM线个辅佐触点常开触点均闭合——KMKM主触点闭合为变频器接通主电源,一个KM常开辅佐触点闭合确定KM线圈得电,另一个KM常开辅佐触点闭合为中心继电器KA1、KA2线圈得电做预备。
2、正转操控。按动将开关SB4——继电器KA1线线个常开触点接通,相当于STF单子输入正转操控信号,变频器U、V、W端子输出正转电源电压,驱动电动机正向工作。调理端子10、2、5外接电位器RP,变频器输出电源频率会产生改动,电动机转速也随之改变。
3、中止操控,按动按钮开关SB3——继电器KA1线个KA常开触点均断开,其间1个常开触点断开堵截STF、SD端子的衔接,变频器U、V、W单子输出回转电源电压,驱动电动机回转工作。
4、回转操控,按动开关SB6——继电器KA2线个常开触点闭合——KA2的常闭触点断开使KA1线个常开触点闭合分贝确定KA2线圈得电,短接按钮开关SB1和接通STR、SD端子——STF、SD单子接通,相当于STR端子输入回转操控信号,变频器U、V、W端子输出回转电源电压,驱动电动机反向工作。
5、变频器反常维护。若变频器工作期间呈现反常或毛病,变频器B、C端子间内部等效的常闭开关断开,沟通接触器KM线圈失电,KM主触点断开,堵截变频器输入电源,对变频器进行维护。










